
【產品類別】:振動篩分設備
【產品簡述】:新鄉法斯特機械是國內領先的S49圓形振動篩規模化制造商,完美的制造工藝和先進的加工設備,面向海內外專業銷售、批發圓形振動篩、三次元振動篩、圓形旋振篩、電動篩。法斯特機械旋振篩產業化量產、現貨供應、交貨快。是您貨比三家后的質量之選、價格之選、睿智之選!圓形振動篩概述圓形振動篩顧名思義其篩面是圓形的,其...
【產品賣點】:圓形振動篩性價比高,產品通用性強!
【優惠活動】:貨發全國 一臺也批發
24小時熱線:13937345447
聯系電話: 0373-3516365-801、802
圖文傳真: 0373-3519169
商 務QQ:313162218
孟 經 理:13937345447
郭 經 理:13837347077
E-mail: xxzdsb@sina.com
網 址:http://www.kubaijinnv.cn
新鄉法斯特機械是國內領先的S49圓形振動篩規模化制造商,完美的制造工藝和先進的加工設備,面向海內外專業銷售、批發圓形振動篩、三次元振動篩、圓形旋振篩、電動篩。法斯特機械旋振篩產業化量產、現貨供應、交貨快。是您貨比三家后的質量之選、價格之選、睿智之選!
圓形振動篩概述
圓形振動篩顧名思義其篩面是圓形的,其型號表示也是以圓形振動篩篩面直徑大小來命名,例如直徑1000mm的圓形振動篩,其型號表示為:FAST-1000-1S.圓形振動篩是一種高精度篩分設備,可以單層粉末除雜、也可多層粒度分級、也可固液分離過濾使用,適用于粒、粉、液體等物料的篩分和過濾,是一機多用的通用篩選設備。
圓形振動篩多次技術改進,采用新型專用動力源(振動電機/震動電機),三維動力更加突出,使旋振篩應用范圍擴展至:不管干的、濕的、精細的、粗糙的、重的、輕的、0~400目都可以篩分,液體的、漿狀的、0~600目都可以過濾。旋振篩配有清網裝置,堵網幾率降至最低,從而使篩分速度快、篩分精度高,篩分產量大大提高;而且旋振篩針對行業有專業獨特設計:如加緣式振動篩、閘門式振動篩、強力型振動篩、密封型振動篩等旋振篩,同時有多種網架結構設計,讓顧客對法斯特旋振篩有更多的選擇。旋振篩最大的特點是換網迅速(僅需3-5分鐘)、篩分精度高、密封性好(粉塵不飛揚、液體不漏漿)、不堵篩網。
旋振篩用途較廣,其稱呼也較多。如:S49-A旋振篩、旋震篩、XZS振動篩、LS震動篩、三元振動篩、三維振動篩、圓形振動篩、圓振篩、電動篩、SUS304不銹鋼振動篩、多層篩分機、篩粉機、振動過濾機、分級篩、振蕩篩、圓盤振動篩、旋轉振動篩等。
圓形振動篩工作原理

旋振篩結構原理圖
旋振篩的動力源是振動電機,振動電機轉軸上下端安裝有偏心重錘(不平衡重錘),通過振動電機的旋轉運動在不平衡重錘作用下轉變為水平、垂直、傾斜的三維運動即三次元運動,旋振篩利用振動電機三維運動,通過旋振篩的彈簧和振動體把三維運動傳遞給振動篩網面。通過改變振動電機上下重錘的相位角來實現物料在篩面上的運動軌跡,以此達到篩分、去雜、過濾的目的。

旋振篩相位角與物料運動軌跡關系圖
圓形振動篩/三次元振動篩分過濾機工作特點
篩分精度高,效率高,任何粉、粒、粘液類皆可適用。
部件無死角,易徹底清洗消毒。
新型網架結構,篩網使用壽命長久,換網只需3-5分鐘。
可單層、多層篩網使用。
體積小不占空間,移動方便,出口可以360度任意調整。
與物料接觸部分全部采用不銹鋼制作。
物料自動排出,可連續作業。
全密閉設計,塵不飛揚,液不泄露。
配有清網裝置,網空不堵塞,篩分可至500目,過濾可達5μm。

旋振篩材質、旋振篩層數示意圖
圓形振動篩/三次元振動篩分過濾機應用行業
旋振篩/振動篩行業分類:食品行業專用旋振篩、化工行業專用旋振篩、制藥行業專用旋振篩、陶瓷行業專用旋振篩、磨料磨具行業專用旋振篩、冶金行業專用旋振篩、環保旋振篩等 。
食品行業:面粉、奶粉、淀粉、食鹽、酵母粉、葡萄糖粉、花粉、動植物膠、葉綠素、賴氨酸、螺旋藻、糖、蛋白粉、魚粉、米粉、維生素、調味品、糊精、
食品過濾:豆漿、飲料、果汁、醬油、鳳梨汁、酵母液、食用油等
化工行業:油漆、樹脂粉、PVC樹脂粉粒、檸檬酸、聚乙烯粉、聚乙烯樹脂、洗衣粉、wbs樹脂、環氧樹脂、聚合粒、尿素樹脂、美耐樹脂等
制藥行業:醫藥中間體、醫用輔料、中藥粉、中藥液、西藥粉、西藥液、中藥顆粒等
陶瓷磨料冶金行業:鋁銀漿、泥漿、高嶺土、石英砂、氧化鋁、人造黑鋁、石墨、碳化硅、噴霧土粒、金剛砂、鐵粉、二氧化鈦、電解銅粉等。
環保行業:廢水、工業廢水、廢油、養殖廢水、染蒸廢水、固體廢棄物粉碎后粉末等
圓形振動篩/三次元振動篩分過濾機技術配置表
| 型 號 | 功 率(KW) | 篩面直徑 | 體 積 | 網層數 | |
| 1S | 0.18 | Φ320mm | 580×580×560 | 1 | |
| FAST-400- | 2S | 580×580×660 | 2 | ||
| 3S | 580×580×760 | 3 | |||
| 1S | 0.55 | Φ550mm | 800×800×680 | 1 | |
| FAST-600- | 2S | 800×800×780 | 2 | ||
| 3S | 800×800×880 | 3 | |||
| 1S | 0.75 | Φ750mm | 900×900×780 | 1 | |
| FAST-800- | 2S | 900×900×930 | 2 | ||
| 3S | 900×900×1080 | 3 | |||
| 1S | 1.47 | Φ950mm | 1160×1160×880 | 1 | |
| FAST-1000- | 2S | 1160×1160×1030 | 2 | ||
| 3S | 1160×1160×1180 | 3 | |||
| 1S | 1.84 | Φ1150mm | 1360×1360×980 | 1 | |
| FAST-1200- | 2S | 1360×1360×1160 | 2 | ||
| 3S | 1360×1360×1360 | 3 | |||
| 1S | 2.2 | Φ1450mm | 1850×1850×1130 | 1 | |
| FAST-1500- | 2S | 1850×1850×1330 | 2 | ||
| 3S | 1850×1850×1550 | 3 | |||
| 1S | 3 | Φ1750mm | 2200×2200×1360 | 1 | |
| FAST-1800- | 2S | 2200×2200×1460 | 2 | ||
| 3S | 2200×2200×1680 | 3 | |||
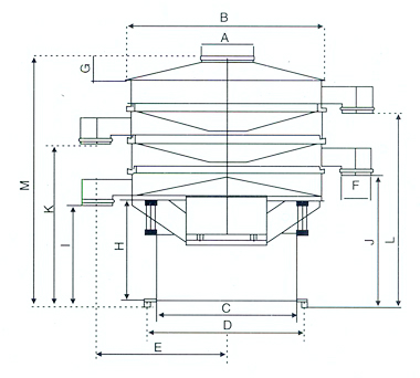
標準圓形振動篩/三次元振動篩分過濾機尺寸表:

旋振篩的種類繁多,特別是旋振篩在我們的工業中運用的非常的廣泛,法斯特機械經過長期跟蹤了解客戶的需求,設計出滿足不同客戶篩分需求的旋振篩。另外我公司可根據客戶需求定制各種尺寸規格旋振篩。圓形振動篩/三次元振動篩標準機型篩分面積對照表
型 號 | A | B | C | D | E | F | G | H | I | J | K | L | L | M |
FAST-400-1S | Φ150 | Φ400 | Φ358 | Φ408 | 310 | Φ100 | 75 | 249 | 257 | 367 | 558 | |||
FAST-400-2S | Φ150 | Φ400 | Φ358 | Φ408 | 310 | Φ100 | 75 | 249 | 257 | 367 | 477 | 668 | ||
FAST-600-1S | Φ150 | Φ600 | Φ426 | Φ476 | 410 | Φ100 | 75 | 354 | 362 | 472 | 668 | |||
FAST-600-2S | Φ150 | Φ600 | Φ426 | Φ476 | 410 | Φ100 | 75 | 354 | 362 | 472 | 582 | 778 | ||
FAST-600-3S | Φ150 | Φ600 | Φ426 | Φ476 | 410 | Φ100 | 75 | 354 | 362 | 472 | 582 | 692 | 692 | 886 |
FAST-800-1S | Φ200 | Φ800 | Φ580 | Φ630 | 530 | Φ125 | 100 | 404 | 412 | 557 | 798 | |||
FAST-800-2S | Φ200 | Φ800 | Φ580 | Φ630 | 530 | Φ125 | 100 | 404 | 412 | 557 | 702 | 943 | ||
FAST-800-3S | Φ200 | Φ800 | Φ580 | Φ630 | 530 | Φ125 | 100 | 404 | 412 | 557 | 702 | 847 | 847 | 1088 |
FAST-1000-1S | Φ250 | Φ970 | Φ700 | Φ750 | 640 | Φ150 | 120 | 466 | 475 | 620 | 880 | |||
FAST-1000-2S | Φ250 | Φ970 | Φ700 | Φ750 | 640 | Φ150 | 120 | 466 | 475 | 620 | 765 | 1025 | ||
FAST-1000-3S | Φ250 | Φ970 | Φ700 | Φ750 | 640 | Φ150 | 120 | 466 | 475 | 620 | 765 | 910 | 910 | 1170 |
FAST-1200-1S | Φ250 | Φ1170 | Φ855 | Φ920 | 750 | Φ180 | 140 | 570 | 595 | 760 | 1045 | |||
FAST-1200-2S | Φ250 | Φ1170 | Φ855 | Φ920 | 750 | Φ180 | 140 | 570 | 595 | 760 | 925 | 1210 | ||
FAST-1200-3S | Φ250 | Φ1170 | Φ855 | Φ920 | 750 | Φ180 | 140 | 570 | 595 | 760 | 925 | 1090 | 1090 | 1375 |
FAST-1500-1S | Φ250 | Φ1470 | Φ1050 | Φ1120 | 960 | Φ200 | 170 | 530 | 555 | 750 | 1090 | |||
FAST-1500-2S | Φ250 | Φ1470 | Φ1050 | Φ1120 | 960 | Φ200 | 170 | 530 | 555 | 750 | 945 | 1285 | ||
FAST-1500-3S | Φ250 | Φ1470 | Φ1050 | Φ1120 | 960 | Φ200 | 170 | 530 | 555 | 750 | 945 | 1140 | 1140 | 1480 |
FAST-1800-1S | Φ300 | Φ1770 | Φ1360 | Φ1430 | 1030 | Φ200 | 200 | 618 | 640 | 835 | 1226 | |||
FAST-1800-2S | Φ300 | Φ1770 | Φ1360 | Φ1430 | 1030 | Φ200 | 200 | 618 | 640 | 835 | 1030 | 1420 | ||
FAST-1800-3S | Φ300 | Φ1770 | Φ1360 | Φ1430 | 1030 | Φ200 | 200 | 618 | 640 | 835 | 1030 | 1225 | 1225 | 1615 |
圓形振動篩/三次元振動篩標準機型篩分面積對照表
型 號 | 有效直徑 | 有效面積 | FAST-450 | FAST-400 | FAST-600 | FAST-800 | FAST-1000 | FAST-1200 | FAST-1500 | FAST-1800 |
FAST-200 | 200 | 0.0573 | 0.41 | 0.71 | 0.27 | 0.14 | 0.09 | 0.06 | 0.04 | 0.03 |
FAST-450 | 420 | 0.1385 | 1 | 1.72 | 0.65 | 0.34 | 0.22 | 0.15 | 0.09 | 0.06 |
FAST-400 | 320 | 0.0804 | 0.58 | 1 | 0.37 | 0.20 | 0.13 | 0.09 | 0.05 | 0.04 |
FAST-600 | 520 | 0.2124 | 3.7 | 1.53 | 1 | 0.52 | 0.34 | 0.23 | 0.14 | 0.09 |
FAST-800 | 720 | 0.4072 | 2.94 | 5.80 | 1.92 | 1 | 0.65 | 0.44 | 0.27 | 0.18 |
FAST-1000 | 890 | 0.6221 | 4.49 | 7.74 | 2.93 | 1.53 | 1 | 0.66 | 0.41 | 0.28 |
FAST-1200 | 1090 | 0.9331 | 6.74 | 11.60 | 4.40 | 2.92 | 1.50 | 1 | 0.61 | 0.41 |
FAST-1500 | 1390 | 1.5175 | 10.96 | 18.87 | 7.14 | 3.73 | 2.44 | 1.63 | 1 | 0.68 |
FAST-1800 | 1690 | 2.2432 | 16.20 | 27.90 | 10.56 | 5.51 | 3.61 | 2.40 | 1.48 | 1 |
標準型號旋振篩現貨供應 、物美價廉、睿智選擇,超市價格廠家直銷,誠征全國各地地市代理商、配套商。13937345447 孟經理 13837347077 郭小姐 www.kubaijinnv.cn